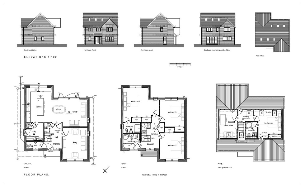
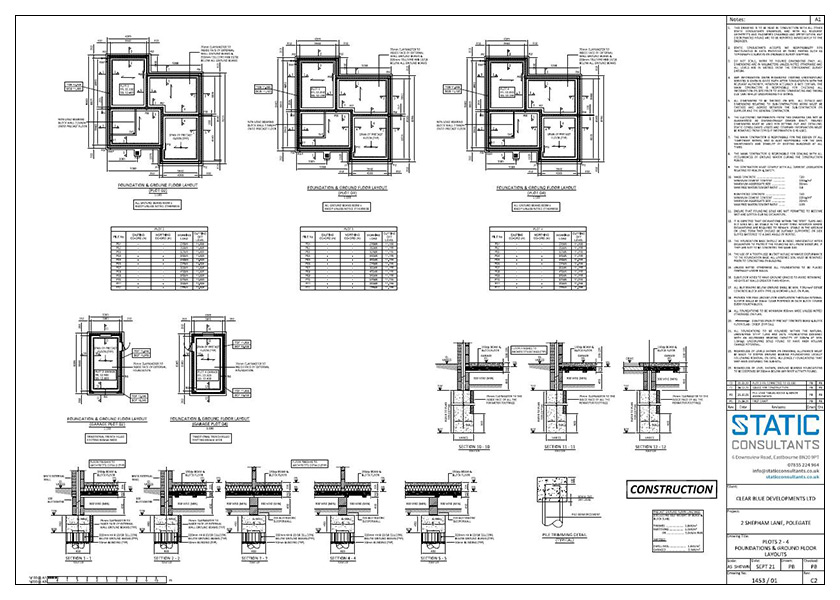
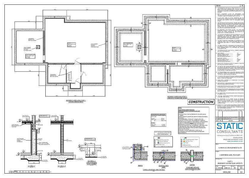
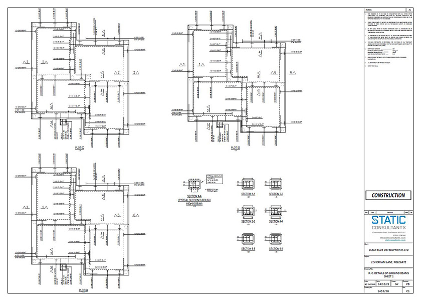
Housing Development (4 Units)
Shepham Lane, Polegate
Housing development consisting of four residential houses, including one with large basement area. We provided full substructure and superstructure design services including a piled scheme for Clear Blue Developments Ltd with JG Architectural Design.




